Артикул № 0302050192
Описание
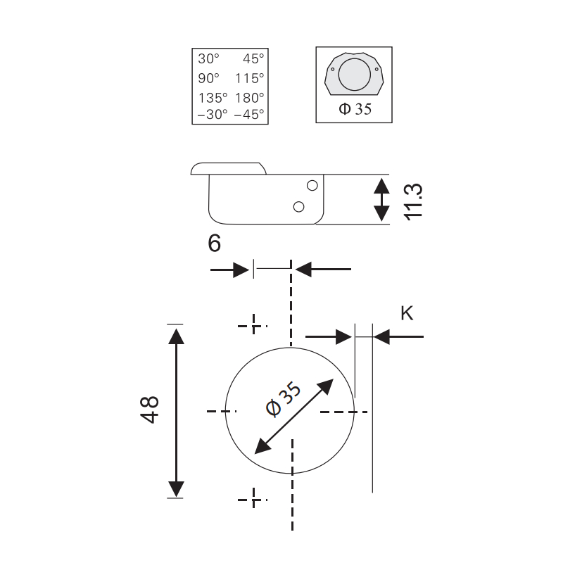
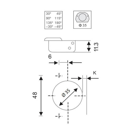
Дългата панта на LOTOS се характеризира с ъгъл на отваряне +90°. Изработена е от метал, с никелово покритие, предпазващо от корозия. Притежава висока здравина и красив външен дизайн. Продуктът позволява лесно и бързо да се фиксира на различни повърхности.
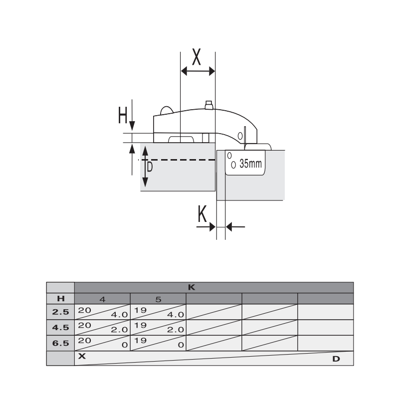
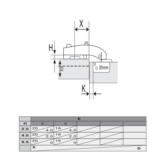
Обозначения за панта Ф 35мм:
- Н: височина на основата
- D: дървен панел на страницата
- К: разстояние между ръба на вратичката и отворите за пробиване на чашката
- А: разстояние между вратичката и страничната плоскост
Спецификации
- Марка
- Lotos
Продукти с подобни характеристики
Въпроси и отговори
Няма въпроси, бъди първия



Оцени продукта